王洪臣:SBR工艺污水生物脱氮过程中N2O的释放特征、主要途径、机理

2021-01-11 10:37发布

N2O是一种可以导致严重全球变暖的主要温室气体,污水的生物除氮处理过程被认为是N2O释放的重要来源。探究了缺氧-好氧(A/O)模式下SBR系统中N2O的释放特征和主要来源。结果表明:N2O的释放主要发生在SBR系统的好氧阶段,其最大释放速率达到2.02 μg/(min·g),累积释放量为8.2 mg,好氧运行120 min时,测得NO2--N的累积浓度达到了最高值7.5mg/L,NO2--N的积累和N2O的释放呈正相关性。细菌群落分析发现,A/O-SBR系统好氧阶段的一些优势菌被鉴定为黄杆菌(Flavobacteria),它们中的部分种群具有好氧反硝化的作用,然而NO2--N累积会抑制该类细菌的亚硝酸还原酶(Nos)活性,进而使N2O进一步还原为N2的途径受阻而释放N2O。因此,在污水生物处理过程中,应减少或避免NO2--N的积累。


研究背景


氧化亚氮(N2O)是一种可以导致严重全球变暖的主要温室气体,其增温潜势是CO2的150~320倍,因此即使是少量的N2O释放也不能被忽略。N2O的性质非常稳定,生命周期长达120年,可与平流层的氧原子发生反应生成NO,进而破坏臭氧层,全球大气中的N2O浓度正以每年0.31%的惊人速度在增长。微生物引起的氮循环可能是陆地和水生系统中全球N2O释放的重要来源,由于微生物脱氮是目前污水生物处理的主要过程,因此该过程被认为是污水处理领域N2O释放的重要来源。据估计,污水处理过程中产生的N2O释放占水链总温室气体释放量(CO2、CH4和N2O)的26%,水链涉及饮用水的生产、水的运输、废水和污泥的处理等。2005—2020年,废水处理过程产生的全球N2O释放量增加约13%。许多研究表明,由于废水水质,操作参数和环境条件的差异, N2O释放速率差异很大。例如,在实验室规模的污水处理过程中,N2O占氮负荷的0~90%,而在实际污水处理过程中,N2O占氮负荷的0%~14.6%。

相关文献指出,N2O释放来源主要包括硝化过程中的氨氧化细菌(AOB)的反硝化、羟胺的氧化、亚硝酰(NOH)的化学降解、反硝化过程中的N2O还原酶(Nos.)被抑制以及碳源不足等。生物硝化和反硝化可在1个缺氧和好氧系统中实现,序批式反应器(SBR)可通过控制曝气水平实现缺氧-好氧(A/O)过程,由于其建设和运营成本低等优点,已经广泛用于城市污水处理。已有诸多研究探究了SBR系统中N2O的释放过程。N2O可能主要来自生物硝化及反硝化作用,但污水生物脱氮过程中产生的N2O主要来源和形成途径仍不能确定。因此,有必要重新评估生物脱氮处理废水过程中N2O的产生。本文旨在研究A/O-SBR系统生物脱氮处理过程中N2O的释放特征、主要途径和机理。


实验部分


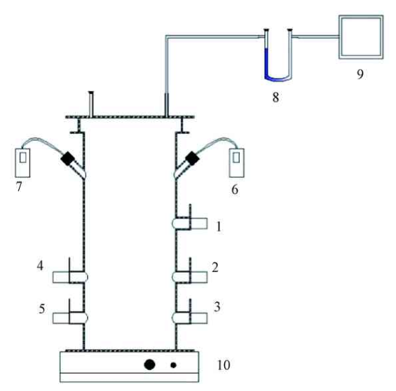
1.反应器的布置与运行


本实验在A/O-SBR小试系统中进行(图1)。SBR的工作体积为12 L,每天运行3个周期,循环时间为480 min,包括进水15 min、缺氧反应3 h、好氧反应4 h、沉淀30 min和排水15 min,排水比为30%。在好氧过程中,空气泵以35 L/h的恒定流量提供曝气,然后将高纯氮气泵入系统以排出N2O。使用温度控制器将温度控制在(20±2) ℃。在线监测系统中的溶解氧(DO)浓度和pH。污泥浓度(mLSS)保持在约3000 mg/L,污泥停留时间(SRT)约为20 d。在A/O-SBR小试系统的缺氧反应阶段,均向污泥混合液中通入高纯N2以吹脱N2O。在充满硅胶的U型管中干燥后,将N2O收集在气体采样袋中进行检测。




图1 SBR反应器装置示意


2.接种活性污泥和配置废水


接种污泥取自北小河污水处理厂(北京)的A2/O工艺的好氧段,污水水样由人工配置,包含5.2 mmol/L 乙酸钠,1.5 mmol/L氯化铵(NH4Cl),0.01 mmol/L磷酸二氢钾(KH2PO4)和1.5 mL/L的微量元素溶液(表1)。在人工污水中接种活性污泥并进行培养和驯化,直到系统稳定为止。


表1 微量元素溶液的组成



3.分析方法


3.1 水质分析


根据国标法测定化学需氧量(COD)、氨氮硝态氮亚硝态氮和MLSS。使用DO检测仪,氧化还原电位(ORP)仪和pH计分别在线测量DO、ORP和pH。


3.2 N2O分析


在1个运行周期内每隔30 min通过便携式气体采样泵采集气体样品并收集于1 L的气体采样袋中。用配有ECD检测器的Agilent 6890 N型气相色谱仪(GC)测定所采集气体中N2O的浓度,所用色谱柱为HP-Plot/分子筛(30 m×0.53 mm×25 um)毛细管柱,试验条件为:炉温初始温度设为100 ℃,而后以20 ℃/min升至200 ℃,保持5 min;进样口温度设为110 ℃;ECD检测器温度设为300 ℃。每个气样均测定3次取平均值。


3.3 细菌群落分析


1)DNA提取和纯化。本实验基于十二烷基硫酸钠(SDS)-氯仿的方法提取 DNA。


2)聚合酶链反应-变性梯度凝胶电泳(PCR-DGGE)分析。


3)测序和系统发育分析。


结果与讨论


1.A/O-SBR系统中污染物去除效果和参数变化


A/O-SBR系统在不同阶段污染物的去除效果如图2所示。可知:在缺氧阶段,COD大部分被降解,从132.2 mg/L下降到15.7 mg/L,这是由于乙酸钠为反硝化菌提供电子供体被消耗,反硝化菌在硝酸盐还原酶 (Nar.)的作用下迅速将还原为在系统内出现积累并在缺氧反应第30 min达到最大值20.2 mg/L,这是因为硝酸盐和亚硝酸盐还原速率不同,即是由于碳源被氧化过程中流向Nar.和亚硝酸盐还原酶(Nir.)的电子量不同导致亚硝酸盐积累。缺氧反应30 min后,累积的进一步还原为气态氮化物,至缺氧阶段末期浓度降至检测限以下。随后, SBR系统进入好氧阶段氨氧化反应开始,浓度急剧下降,在好氧反应120 min后,NH4+-N浓度从24.1降至0 mg/L,此时观察到积累达到最大值7.4 mg/L,这是因为氨氧化速率高于亚硝酸盐氧化速率所导致。继续曝气后,积累的在亚硝酸盐氧化细菌(NOB)的作用下进一步被氧化成系统内浓度继续升高,至好氧反应结束时升至最大值21.5 mg/L。




图2 A/O-SBR系统中污染物的去除效果


图3为运行周期内系统DO、pH和ORP的变化情况。可知:在缺氧阶段初期,随着有机物的降解,混合液中DO被迅速耗尽,缺氧阶段绝大部分时间ρ(DO)为0 mg/L。缺氧反应3 h后开始曝气,曝气量恒定在1200 mL/min,由于好氧阶段主要完成硝化过程,自养硝化菌的生长速率缓慢,系统内的供氧速率大于耗氧速率,因此,在好氧阶段开始时,DO浓度不断升高,至好氧阶段约100 min内维持在2.0~2.3 mg/L。好氧反应120 min后,氨氧化过程结束,此后系统主要完成亚硝酸盐氧化,耗氧速率进一步下降,DO浓度变化曲线上出现“DO拐点”,继续反应60 被全部转化为由于曝气量恒定,DO浓度最终稳定在7.1 mg/L左右。




图3 A/O-SBR系统中的参数变化


在缺氧阶段初期,随着反硝化反应的进行,逐渐被还原,ORP值迅速降低。至缺氧阶段第浓度降至检测限以下,ORP变化曲线上出现“硝酸盐膝”。缺氧运行3 h后进入好氧阶段,在AOB和NOB的作用下不断被氧化,系统内的氧化态物质逐渐增加,还原态物质逐渐减少,ORP值不断升高,在氨氧化阶段结束时ORP值升至最高。在运行周期内pH值维持在7.6~8.4。在缺氧阶段前60 min内,由于反硝化反应产生碱度,导致pH值迅速上升,至第90 min达到最大值8.4,pH变化曲线上出现“硝酸盐峰”,此时全部被还原。之后pH的变化速率变缓,并维持在一定水平。缺氧反应3 h后,系统进入好氧阶段。在好氧阶段初期,随着硝化反应的进行,混合液中不断有H+生成,造成pH值逐渐下降,好氧运行120 min后,产H+的氨氧化过程结束,pH值降至“氨谷”,此后pH值略有上升。


分析A/O-SBR生物脱氮系统1个运行周期内DO、pH和ORP的变化规律可知,DO、ORP和pH对硝化和反硝化反应的进程有较好的指示作用,进而可以判断和控制的积累。


2.N2O释放特征和途径


图4为A/O-SBR系统典型循环中N2O释放速率和N2O累积释放量。可知:在缺氧阶段,N2O释放速率没有明显变化。但在氨氧化阶段,N2O释放速率随着硝化反应的进行而迅速增加,并在好氧反应120 min时达到最大值,2.02 μg/(min·g)。但是,在好氧反应120 min后N2O释放速率迅速降低,在好氧阶段结束时降至0.3 μg/(min·g)以下。好氧阶段释放的N2O累积量为8.2 mg,约为缺氧阶段释放的6倍。因此,在本研究的A/O-SBR系统中N2O释放主要发生在好氧阶段。




图4 N2O释放速率和N2O累积释放量


通过计算可知,N2O的转化主要发生在好氧阶段,其转化率为2.84%,此转化率在文献报道的0~90%范围内,但各研究的N2O转化率均有差异,这可能是因为不同研究的实验条件不同所致。


根据文献报道,在污水生物脱氮过程中主要由异养反硝化菌和自养硝化菌通过以下3种途径产生N2O:


1)在缺少溶解性有机碳源的反硝化过程、亚硝酸盐积累过程和低DO好氧反应过程中产生;


2)在好氧硝化过程中,氨氮被氧化后,被好氧反硝化菌还原为N2O或N2过程中产生 ;


3)在氨氮作为电子供体情况下,被还原为N2O或N2过程中产生。


本研究中的N2O主要产生在好氧阶段,有可能是基于第2种途径,即在被好氧反硝化菌还原为N2O后,由于其继续转化为N2的过程受抑制而导致。N2O释放特性与在好氧阶段的积累有关(详见图2和图4)。通过SPSS软件统计分析可知,N2O释放和累积的相关系数为0.94(P<0.01),说明N2O释放和累计呈现显著正相关。


3.N2O释放机理推测


为了进一步推测N2O释放机理,在A/O-SBR系统的1个运行周期中进行了细菌群落结构分析。本研究中PCR-DGGE技术与测序分析相结合被用来分析细菌群落结构,并鉴定优势菌种。如图5a所示,A/O-SBR系统好氧阶段的DGGE谱图显示了条带的数量和丰度的变化,表明在整个好氧过程中,随着DO浓度的变化,优势细菌群落也发生了变化。从DGGE谱图的强条带中提取的DNA通过测序和基因库比对鉴定出了具有代表性的细菌种类,并作了系统发育图(图5b)。系统发育图中,经鉴定A/O-SBR系统好氧阶段的优势细菌大部分为拟杆菌纲(Bacteroidetes),一些谱带如A3、B3、C3和D3被鉴定为黄杆菌(Flavobacteria),而有报道称黄杆菌的一些种群具有好氧反硝化作用。另外,在好氧条件下还有许多微生物可发生好氧反硝化作用,如泛养硫球菌(Thiosphaera pantotropha)可以将N2O还原为N2,从活性污泥系统中分离出的假单胞反硝化细菌和微绿藻甚至在饱和氧条件下也可以还原硝酸盐。


在本研究中,N2O释放主要发生在有氧阶段,并且与累积的亚硝酸盐浓度呈正相关。据报道,的积累会导致Nos.的活性被抑制。因此可以初步推测出,在好氧阶段产生N2O的原因可能是抑制了A/O-SBR系统中黄杆菌的Nos.活性,导致N2O被Nos.还原为N2受阻,具体的释放机理需要进一步通过Nos.的特征基因表达分析来确定。




图5 A/O-SBR系统好氧阶段的DGGE谱图和系统发育树


结 论

研究了A/O-SBR污水处理小试系统中N2O释放的特征、途径和机理,主要结论如下:


1)N2O的释放主要发生在A/O-SBR污水处理小试系统的好氧阶段。


2)A/O-SBR小试系统的1个运行周期内,N2O的最大释放速率为2.02 μg/(min·g),运行300 min后N2O的累积释放量达到8.2 mg,此时累积也达到了最高值7.5 mg/L。


3)细菌群落分析发现,A/O-SBR小试系统好氧阶段的一些优势菌被鉴定为黄杆菌(Flavobacteria),它们中部分种群具有好氧反硝化作用。初步推测,累积抑制该类细菌的Nos.活性,导致 N2O被进一步还原为N2受阻而释放N2O。


文章来源:刘国华,等 环境工程  2020-11-19    刘国华 庞毓旻 齐 鲁 王洪臣*    (中国人民大学 环境学院 低碳水环境技术中心)

赞赏支持